High power speed reducer

TH、TB series high power speed reducer is a new type of rigid tooth flank gear units with wide application, which has the feature of large torque range, a design of unit structure modulization capable of horizontal mounting and vertical mounting. which has output with solid shaft, hollow shaft and hollow shaft with shrink disk. With high-strength good-quality alloy steel of carburizing and quenching, the series has the feature of high-efficiency and long life-span, high permissible axial and radial loads, low noise, high reliability and compact structure.
Output speed: 1.7 ~ 1200r/min
Output torque: up to 470000Nm
Motor power: 9 ~ 5082Kw
Installation mode: horizontal mounting、vertical mounting、axis mounting、shrink disk mounting.

Horizontal installation of single stage drive of parallel shaft reducer(Type: TH1SH)



| Model | Size mm | ||||||||||||||||
| Input shaft | |||||||||||||||||
| iN=1.25-2.8 | iN=1.6-2.8 | iN=2-2.8 | iN=3.15-4 | iN=4.5-5.6 | G1 | G3 | |||||||||||
| d11) | l1 | l3 | d11) | l1 | l3 | d11) | l1 | l3 | d11) | l1 | l3 | d11) | l1 | l3 | |||
| 1 | 40 | 70 | 30 | 50 | – | 24 | 40 | – | 110 | – | |||||||
| 3 | 60 | 125 | 105 | 45 | 100 | 80 | 32 | 80 | 60 | 170 | 190 | ||||||
| 5 | 85 | 160 | 130 | 60 | 135 | 105 | 50 | 110 | 80 | 210 | 240 | ||||||
| 7 | 100 | 200 | 165 | 75 | 140 | 105 | 60 | 140 | 105 | 250 | 285 | ||||||
| 9 | 110 | 200 | 165 | 90 | 165 | 130 | 75 | 140 | 105 | 280 | 315 | ||||||
| 11 | 130 | 240 | 205 | 110 | 205 | 170 | 90 | 170 | 135 | 325 | 360 | ||||||
| 13 | 150 | 245 | 200 | 130 | 245 | 200 | 100 | 210 | 165 | 365 | 410 | ||||||
| 15 | 180 | 290 | 240 | 150 | 250 | 200 | 125 | 250 | 200 | 360 | 410 | ||||||
| 17 | 200 | 330 | 280 | 170 | 290 | 240 | 140 | 250 | 200 | 400 | 450 | ||||||
| 19 | 220 | 340 | 290 | 190 | 340 | 290 | 160 | 300 | 250 | 440 | 490 | ||||||
| Model | Size mm | ||||||||||||||||||
| Gear reducer | |||||||||||||||||||
| a | A1 | A2 | A3 | b | B1 | B2 | B3 | c | d6 | E | h | H | m1 | m2 | m3 | n1 | n2 | s | |
| 1 | 295 | – | – | – | 150 | – | – | – | 18 | – | 90 | 140 | 305 | 220 | – | 120 | 37.5 | 80 | 12 |
| 3 | 420 | 150 | 145 | 80 | 200 | 205 | 130 | – | 28 | 130 | 130 | 200 | 405 | 310 | – | 160 | 55 | 110 | 19 |
| 5 | 580 | 225 | 215 | 115 | 285 | 255 | 185 | – | 35 | 190 | 185 | 290 | 555 | 440 | – | 240 | 70 | 160 | 24 |
| 7 | 690 | 255 | 250 | 120 | 375 | 300 | 230 | – | 45 | 245 | 225 | 350 | 655 | 540 | – | 315 | 75 | 195 | 28 |
| 9 | 805 | 300 | 265 | 140 | 425 | 330 | 265 | – | 50 | 280 | 265 | 420 | 770 | 625 | – | 350 | 90 | 225 | 35 |
| 11 | 960 | 360 | 330 | 190 | 515 | 375 | 320 | – | 60 | 350 | 320 | 500 | 875 | 770 | – | 440 | 95 | 280 | 35 |
| 13 | 1100 | 415 | 350 | – | 580 | 430 | – | 150 | 70 | 350 | 370 | 580 | 1055 | 870 | – | 490 | 115 | 315 | 42 |
| 15 | 1295 | 500 | 430 | – | 545 | 430 | – | 120 | 80 | 450 | 442 | 600 | 1150 | 1025 | – | 450 | 135 | 370 | 48 |
| 17 | 1410 | 550 | 430 | – | 615 | 470 | – | 150 | 80 | 445 | 490 | 670 | 1270 | 1170 | 130 | 530 | 120 | 425 | 42 |
| 19 | 1590 | 630 | 475 | – | 690 | 510 | – | 190 | 90 | 445 | 555 | 760 | 1430 | 1290 | 150 | 590 | 150 | 465 | 48 |
| Model | Size mm | Lubricating oil (l) | Weight
(kg) |
||
| Output shaft | |||||
| d21) | G2 | l2 | |||
| 1 | 45 | 110 | 80 | 2.5 | 55 |
| 3 | 60 | 170 | 125 | 7 | 128 |
| 5 | 85 | 210 | 160 | 22 | 302 |
| 7 | 105 | 250 | 200 | 42 | 547 |
| 9 | 125 | 270 | 210 | 68 | 862 |
| 11 | 150 | 320 | 240 | 120 | 1515 |
| 13 | 180 | 360 | 310 | 175 | 2395 |
| 15 | 220 | 360 | 350 | 190 | 3200 |
| 17 | 240 | 400 | 400 | 270 | 4250 |
| 19 | 270 | 440 | 450 | 390 | 5800 |
Horizontal installation of single stage drive of parallel shaft reducer(Type:TH2SH)


| Model | Size mm | |||||||||||||
| Input shaft | ||||||||||||||
| iN=6.3-11.2 | iN=8-14 | iN=12.5-22.4 | iN=16-28 | G1 | G3 | |||||||||
| d11) | l1 | l3 | d11) | l1 | l3 | d11) | l1 | l3 | d11) | l1 | l3 | |||
| 3 | 35 | 60 | – | 28 | 50 | – | 135 | – | ||||||
| 4 | 45 | 100 | 80 | 32 | 80 | 60 | 170 | 190 | ||||||
| 5 | 50 | 100 | 80 | 38 | 80 | 60 | 195 | 215 | ||||||
| 6 | 50 | 100 | 80 | 38 | 80 | 60 | 195 | 215 | ||||||
| 7 | 60 | 135 | 105 | 50 | 110 | 80 | 210 | 240 | ||||||
| 8 | 60 | 135 | 105 | 50 | 110 | 80 | 210 | 240 | ||||||
| 9 | 75 | 140 | 110 | 60 | 140 | 110 | 240 | 270 | ||||||
| 10 | 75 | 140 | 110 | 60 | 140 | 110 | 240 | 270 | ||||||
| 11 | 90 | 165 | 130 | 70 | 140 | 105 | 275 | 310 | ||||||
| 12 | 90 | 165 | 130 | 70 | 140 | 105 | 275 | 310 | ||||||
| Model | Size mm | |||||||||||
| Gear reducer | ||||||||||||
| a | A1 | A2 | A3 | A4 | b | B1 | B2 | c | c1 | D5 | d6 | |
| 3 | 150 | – | – | – | – | 190 | – | – | 22 | 24 | 18 | – |
| 4 | 565 | 195 | 225 | 150 | 30 | 215 | 205 | 158 | 28 | 30 | 24 | 136 |
| 5 | 640 | 225 | 260 | 175 | 55 | 255 | 230 | 177.5 | 28 | 30 | 24 | 150 |
| 6 | 720 | 225 | 260 | 175 | 55 | 255 | 230 | 177.5 | 28 | 30 | 24 | 150 |
| 7 | 785 | 272 | 305 | 210 | 70 | 300 | 255 | 210 | 35 | 36 | 28 | 200 |
| 8 | 890 | 272 | 305 | 210 | 70 | 300 | 255 | 210 | 35 | 36 | 28 | 200 |
| 9 | 925 | 312 | 355 | 240 | 100 | 370 | 285 | 245 | 40 | 45 | 36 | 200 |
| 10 | 1025 | 312 | 355 | 240 | 100 | 380 | 285 | 245 | 40 | 45 | 36 | 200 |
| 11 | 1105 | 372 | 420 | 285 | 135 | 430 | 325 | 285 | 50 | 54 | 40 | 210 |
| 12 | 1260 | 372 | 420 | 285 | 135 | 430 | 325 | 285 | 50 | 54 | 40 | 210 |
| Model | Size mm | ||||||||||
| Gear reducer | |||||||||||
| E | g | h | H | m1 | m3 | n1 | n2 | n3 | n4 | s | |
| 3 | 220 | 71 | 175 | 390 | 290 | 160 | 80 | 65 | 285 | 132.5 | 15 |
| 4 | 270 | 77.5 | 200 | 445 | 355 | 180 | 105 | 85 | 345 | 150 | 19 |
| 5 | 315 | 97.5 | 230 | 512 | 430 | 220 | 105 | 100 | 405 | 180 | 19 |
| 6 | 350 | 97.5 | 230 | 512 | 510 | 220 | 105 | 145 | 440 | 180 | 19 |
| 7 | 385 | 114 | 280 | 602 | 545 | 260 | 120 | 130 | 500 | 215 | 24 |
| 8 | 430 | 114 | 280 | 617 | 650 | 260 | 120 | 190 | 545 | 215 | 24 |
| 9 | 450 | 140 | 320 | 697 | 635 | 320 | 145 | 155 | 585 | 245 | 28 |
| 10 | 500 | 140 | 320 | 697 | 735 | 320 | 145 | 205 | 635 | 245 | 28 |
| 11 | 545 | 161 | 380 | 817 | 775 | 370 | 165 | 180 | 710 | 300 | 35 |
| 12 | 515 | 161 | 380 | 825 | 930 | 370 | 165 | 265 | 780 | 300 | 35 |
| Model | Size mm | Lubricating oil(L) | Weight
(Kg) |
||||||||
| Output shaft | |||||||||||
| TH2SH | TH2HH | TH2DH | |||||||||
| d21) | G2 | l2 | D22) | G4 | D3 | D4 | G4 | G5 | |||
| 3 | 65 | 125 | 140 | 65 | 125 | 70 | 70 | 125 | 180 | 6 | 115 |
| 4 | 80 | 140 | 170 | 80 | 140 | 85 | 85 | 140 | 205 | 10 | 190 |
| 5 | 100 | 165 | 210 | 95 | 165 | 100 | 100 | 165 | 240 | 15 | 300 |
| 6 | 110 | 165 | 210 | 105 | 165 | 110 | 110 | 165 | 240 | 16 | 355 |
| 7 | 120 | 195 | 210 | 115 | 195 | 120 | 120 | 195 | 280 | 27 | 505 |
| 8 | 130 | 195 | 250 | 125 | 195 | 130 | 130 | 195 | 285 | 30 | 590 |
| 9 | 140 | 235 | 250 | 135 | 235 | 140 | 145 | 235 | 330 | 42 | 830 |
| 10 | 160 | 235 | 300 | 150 | 235 | 150 | 155 | 235 | 350 | 45 | 960 |
| 11 | 170 | 270 | 300 | 165 | 270 | 165 | 170 | 270 | 400 | 71 | 1335 |
| 12 | 180 | 270 | 300 | 180 | 270 | 180 | 185 | 270 | 405 | 76 | 1615 |
Horizontal installation of single stage drive of parallel shaft reducer(Type: TH2.H、TH2.M )



| Model | Size mm | |||||||||||||||||||
| Input shaft | ||||||||||||||||||||
| iN=6.3-11.2 | iN=7.1-12.5 | iN=8-14 | iN=12.5-20 | iN=14-22.4 | iN=16-25 | G1 | G3 | |||||||||||||
| d11) | l1 | l3 | d11) | l1 | l2 | d11) | l1 | l3 | d11) | l1 | l3 | d11) | l1 | l3 | d11) | l1 | l3 | |||
| 13 | 100 | 205 | 170 | 85 | 170 | 135 | 330 | 365 | ||||||||||||
| 14 | 100 | 205 | 170 | 85 | 170 | 135 | 330 | 365 | ||||||||||||
| 15 | 120 | 210 | 165 | 100 | 210 | 165 | 365 | 410 | ||||||||||||
| 16 | 120 | 210 | 165 | 100 | 210 | 165 | 365 | 410 | ||||||||||||
| 17 | 125 | 245 | 200 | 110 | 210 | 165 | 420 | 465 | ||||||||||||
| 18 | 125 | 245 | 200 | 110 | 210 | 165 | 420 | 465 | ||||||||||||
| 19 | 150 | 245 | 200 | 120 | 210 | 165 | 475 | 520 | ||||||||||||
| 20 | 150 | 245 | 200 | 120 | 210 | 165 | 475 | 520 | ||||||||||||
| 21 | 170 | 290 | 240 | 140 | 250 | 200 | 495 | 545 | ||||||||||||
| 22 | 170 | 290 | 240 | 140 | 250 | 200 | 495 | 545 | ||||||||||||
| Model | Size mm | |||||||||||||
| Gear reducer | ||||||||||||||
| a | A1 | A2 | A3 | A4 | b | B1 | B2 | c | c1 | d8 | D5 | e2 | E | |
| 13 | 1290 | 430 | 460 | 330 | 365 | 550 | 385 | 135 | 60 | 61 | 250 | 48 | 405 | 635 |
| 14 | 1430 | 430 | 460 | 330 | 365 | 550 | 385 | 135 | 60 | 61 | 250 | 48 | 475 | 705 |
| 15 | 1550 | 490 | 500 | 370 | 440 | 625 | 430 | 155 | 70 | 72 | 280 | 55 | 485 | 762 |
| 16 | 1640 | 490 | 500 | 370 | 440 | 625 | 430 | 155 | 70 | 72 | 280 | 55 | 530 | 808 |
| 17 | 1740 | 540 | 565 | 435 | 505 | 690 | 485 | 140 | 80 | 81 | 280 | 55 | 525 | 860 |
| 18 | 1860 | 540 | 565 | 435 | 505 | 690 | 485 | 140 | 80 | 81 | 280 | 55 | 585 | 920 |
| 19 | 2010 | 600 | 600 | 500 | 450 | 790 | 540 | 190 | 90 | 91 | 310 | 65 | 590 | 997 |
| 20 | 2130 | 600 | 600 | 500 | 450 | 790 | 540 | 190 | 90 | 91 | 310 | 65 | 650 | 1057 |
| 21 | 2140 | 680 | 680 | 500 | 610 | 830 | 565 | 200 | 100 | 100 | 450 | 75 | 655 | 1067 |
| 22 | 2250 | 680 | 680 | 500 | 610 | 830 | 565 | 200 | 100 | 100 | 450 | 75 | 710 | 1122 |
| Model | Size mm | |||||||||||||
| Gear reducer | ||||||||||||||
| a | A1 | A2 | A3 | A4 | b | B1 | B2 | c | c1 | d8 | D5 | e2 | E | |
| 13 | 1290 | 430 | 460 | 330 | 365 | 550 | 385 | 135 | 60 | 61 | 250 | 48 | 405 | 635 |
| 14 | 1430 | 430 | 460 | 330 | 365 | 550 | 385 | 135 | 60 | 61 | 250 | 48 | 475 | 705 |
| 15 | 1550 | 490 | 500 | 370 | 440 | 625 | 430 | 155 | 70 | 72 | 280 | 55 | 485 | 762 |
| 16 | 1640 | 490 | 500 | 370 | 440 | 625 | 430 | 155 | 70 | 72 | 280 | 55 | 530 | 808 |
| 17 | 1740 | 540 | 565 | 435 | 505 | 690 | 485 | 140 | 80 | 81 | 280 | 55 | 525 | 860 |
| 18 | 1860 | 540 | 565 | 435 | 505 | 690 | 485 | 140 | 80 | 81 | 280 | 55 | 585 | 920 |
| 19 | 2010 | 600 | 600 | 500 | 450 | 790 | 540 | 190 | 90 | 91 | 310 | 65 | 590 | 997 |
| 20 | 2130 | 600 | 600 | 500 | 450 | 790 | 540 | 190 | 90 | 91 | 310 | 65 | 650 | 1057 |
| 21 | 2140 | 680 | 680 | 500 | 610 | 830 | 565 | 200 | 100 | 100 | 450 | 75 | 655 | 1067 |
| 22 | 2250 | 680 | 680 | 500 | 610 | 830 | 565 | 200 | 100 | 100 | 450 | 75 | 710 | 1122 |
| Model | Size mm | Lubricating oil | Weight | ||||||||||
| Output shaft | TH2.H
(l) |
TH2.M
(l) |
|||||||||||
| TH2SH | TH2HH5)TH2HM5) | TH2DH5)TH2DM5) | TH2.H | TH2.M | |||||||||
| d21) | G2 | l2 | D22) | G4 | D3 | D4 | G4 | G5 | (Kg) | (Kg) | |||
| 13 | 200 | 335 | 350 | 190 | 335 | 190 | 195 | 335 | 480 | 135 | 110 | 2000 | 1800 |
| 14 | 210 | 335 | 350 | 210 | 335 | 210 | 215 | 335 | 480 | 140 | 115 | 2570 | 2430 |
| 15 | 230 | 380 | 410 | 230 | 380 | 230 | 235 | 380 | 550 | 210 | 160 | 3430 | 3240 |
| 16 | 240 | 380 | 410 | 240 | 380 | 240 | 245 | 380 | 550 | 215 | 165 | 3655 | 3465 |
| 17 | 250 | 415 | 410 | 250 | 415 | 250 | 260 | 415 | 600 | 290 | 230 | 4650 | 4420 |
| 18 | 270 | 415 | 470 | 275 | 415 | 280 | 285 | 415 | 600 | 300 | 240 | 5125 | 4870 |
| 19 | 290 | 465 | 470 | – | – | 285 | 295 | 465 | 670 | 320 | 300 | 5250 | 5000 |
| 20 | 300 | 465 | 500 | – | – | 310 | 315 | 465 | 670 | 340 | 320 | 6550 | 6150 |
| 21 | 320 | 490 | 500 | – | – | 330 | 335 | 490 | 715 | 320 | 350 | 7200 | 6950 |
| 22 | 340 | 490 | 550 | – | – | 340 | 345 | 490 | 725 | 340 | 370 | 7800 | 7550 |
Horizontal installation of single stage drive of parallel shaft reducer(Type:TH3.H)


| Model | Size mm | |||||||||||||||||||
| Input shaft | ||||||||||||||||||||
| iN=22.4-45 | iN=25-50
iN=28-56★) |
iN=50-63 | iN=56-71
iN=63-80★) |
iN=71-90 | iN=80-100
iN=90-112★) |
G1 | G3 | |||||||||||||
| d11) | l1 | l3 | d11) | l1 | l3 | d11) | l1 | l3 | d11) | l1 | l3 | d11) | l1 | l3 | d11) | l1 | l3 | |||
| 13 | 85 | 160 | 130 | 60 | 135 | 105 | 50 | 110 | 80 | 310 | 385 | |||||||||
| 14 | 85 | 160 | 130 | 60 | 135 | 105 | 50 | 110 | 80 | 310 | 385 | |||||||||
| 15 | 100 | 200 | 165 | 75 | 140 | 105 | 60 | 140 | 105 | 350 | 420 | |||||||||
| 16 | 100 | 200 | 165 | 75 | 140 | 105 | 60 | 140 | 105 | 350 | 420 | |||||||||
| 17 | 100 | 200 | 165 | 75 | 140 | 105 | 60 | 140 | 105 | 380 | 450 | |||||||||
| 18 | 100 | 200 | 165 | 75 | 140 | 105 | 60 | 140 | 105 | 380 | 450 | |||||||||
| 19 | 110 | 200 | 4) | 90 | 165 | 4) | 75 | 140 | 4) | 430 | 4) | |||||||||
| 20 | 110 | 200 | 4) | 90 | 165 | 4) | 75 | 140 | 4) | 430 | 4) | |||||||||
| 21 | 130 | 240 | 4) | 110 | 205 | 4) | 90 | 170 | 4) | 470 | 4) | |||||||||
| 22 | 130 | 240 | 4) | 110 | 205 | 4) | 90 | 170 | 4) | 470 | 4) | |||||||||
| Model | Size mm | ||||||||||||
| Gear reducer | |||||||||||||
| g | h | h1 | h2 | H | m1 | m2 | m3 | n1 | n2 | n3 | n4 | s | |
| 13 | 211.5 | 440 | 450 | 495 | 935 | 597.5 | 597.5 | 475 | 100 | 305 | 940 | 340 | 35 |
| 14 | 211.5 | 440 | 450 | 495 | 935 | 597.5 | 737.5 | 475 | 100 | 375 | 1010 | 340 | 35 |
| 15 | 238 | 500 | 490 | 535 | 1035 | 720 | 720 | 535 | 120 | 365 | 1135 | 375 | 42 |
| 16 | 238 | 500 | 490 | 535 | 1035 | 720 | 810 | 535 | 120 | 410 | 1180 | 375 | 42 |
| 17 | 259 | 550 | 555 | 595 | 1145 | 750 | 750 | 600 | 135 | 390 | 1175 | 425 | 42 |
| 18 | 259 | 550 | 555 | 595 | 1145 | 750 | 870 | 600 | 135 | 450 | 1235 | 425 | 42 |
| 19 | 299 | 620 | 615 | 655 | 1275 | 860 | 860 | 690 | 155 | 435 | 1365 | 475 | 48 |
| 20 | 299 | 620 | 615 | 655 | 1275 | 860 | 980 | 690 | 155 | 495 | 1425 | 475 | 48 |
| 21 | 310 | 700 | 685 | 725 | 1425 | 1000 | 1000 | 720 | 170 | 485 | 1615 | 520 | 56 |
| 22 | 310 | 700 | 685 | 725 | 1425 | 1000 | 1110 | 720 | 170 | 540 | 1670 | 520 | 56 |
| Model | Size mm | Lubricating oil | Weight | ||||||||||
| Output shaft | |||||||||||||
| TH3SH | TH3HH TH3HM | TH3DH TH3DM | TH3.H | TH3.M | TH3.H | TH3.M | |||||||
| d21) | G2 | l2 | D22) | G4 | D3 | D4 | G4 | G5 | (l) | (l) | (Kgj) | (Kgj) | |
| 13 | 200 | 335 | 350 | 190 | 335 | 190 | 195 | 335 | 480 | 160 | 125 | 2295 | 2155 |
| 14 | 210 | 335 | 350 | 210 | 335 | 210 | 215 | 335 | 480 | 165 | 130 | 2625 | 2490 |
| 15 | 230 | 380 | 410 | 230 | 380 | 230 | 235 | 380 | 550 | 235 | 190 | 3475 | 3260 |
| 16 | 240 | 380 | 410 | 240 | 380 | 240 | 245 | 380 | 550 | 245 | 195 | 3875 | 3625 |
| 17 | 250 | 415 | 410 | 250 | 415 | 250 | 260 | 415 | 600 | 305 | 240 | 4560 | 4250 |
| 18 | 270 | 415 | 470 | 275 | 415 | 280 | 285 | 415 | 600 | 315 | 250 | 5030 | 4740 |
| 19 | 290 | 465 | 470 | – | – | 285 | 295 | 465 | 670 | 420 | 390 | 5050 | 4750 |
| 20 | 300 | 465 | 500 | – | – | 310 | 315 | 465 | 670 | 450 | 415 | 6650 | 6250 |
| 21 | 320 | 490 | 500 | – | – | 330 | 335 | 490 | 715 | 470 | 515 | 6950 | 6550 |
| 22 | 340 | 490 | 550 | – | – | 340 | 345 | 490 | 725 | 490 | 540 | 7550 | 7050 |
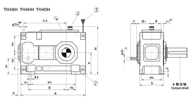
Horizontal installation of single stage drive of parallel shaft reducer(Type:TH4.H)


| Model | Size mm | ||||||||
| Input shaft | |||||||||
| iN=100-180 | iN=125-224 | iN=200-355 | iN=250-450 | G1 | |||||
| d11) | l1 | d11) | l1 | d11) | l1 | d11) | l1 | ||
| 7 | 30 | 50 | 24 | 40 | 180 | ||||
| 8 | 30 | 50 | 24 | 40 | 180 | ||||
| 9 | 35 | 60 | 28 | 50 | 215 | ||||
| 10 | 35 | 60 | 28 | 50 | 215 | ||||
| 11 | 45 | 100 | 32 | 80 | 250 | ||||
| 12 | 45 | 100 | 32 | 80 | 250 | ||||
| Model | Size mm | |||||||||||||||||
| Gear reducer | ||||||||||||||||||
| a | b | c | c1 | D5 | E | f1 | g | h | h4 | H | m1 | m3 | n1 | n2 | n3 | n4 | s | |
| 7 | 845 | 300 | 35 | 36 | 28 | 495 | 37 | 114 | 280 | 200 | 602 | 605 | 260 | 120 | 560 | 560 | 215 | 24 |
| 8 | 950 | 300 | 35 | 36 | 28 | 540 | 37 | 114 | 280 | 200 | 617 | 710 | 260 | 120 | 605 | 605 | 215 | 24 |
| 9 | 1000 | 370 | 40 | 45 | 36 | 580 | 43 | 140 | 320 | 230 | 697 | 710 | 320 | 145 | 660 | 660 | 245 | 28 |
| 10 | 1100 | 380 | 40 | 45 | 36 | 630 | 43 | 140 | 320 | 230 | 697 | 810 | 320 | 145 | 710 | 710 | 245 | 28 |
| 11 | 1200 | 430 | 50 | 54 | 40 | 705 | 47 | 161 | 380 | 270 | 817 | 870 | 370 | 165 | 805 | 805 | 300 | 35 |
| 12 | 1355 | 430 | 50 | 54 | 40 | 775 | 47 | 161 | 380 | 270 | 825 | 1025 | 370 | 165 | 875 | 875 | 300 | 35 |
| Model | Size mm | Lubricating oil(l) | Weight
(Kg) |
||||||||
| Output shaft | |||||||||||
| TH4SH | TH4HH | TH4DH | |||||||||
| d21) | G2 | l2 | D22) | G4 | D3 | D4 | G4 | G5 | |||
| 7 | 120 | 195 | 210 | 115 | 195 | 120 | 120 | 195 | 280 | 25 | 550 |
| 8 | 130 | 195 | 250 | 125 | 195 | 130 | 130 | 195 | 285 | 27 | 645 |
| 9 | 140 | 235 | 250 | 135 | 235 | 140 | 145 | 235 | 330 | 48 | 875 |
| 10 | 160 | 235 | 300 | 150 | 235 | 150 | 155 | 235 | 350 | 50 | 1010 |
| 11 | 170 | 270 | 300 | 165 | 270 | 165 | 170 | 270 | 400 | 80 | 1480 |
| 12 | 180 | 270 | 300 | 180 | 270 | 180 | 185 | 270 | 405 | 87 | 1725 |
Horizontal installation of single stage drive of parallel shaft reducer(Type:TH4.H、TH4.M )

| Model | Size mm | ||||||||||||
| Input shaft | |||||||||||||
| iN=100-180 | iN=112-200 | iN=125-224 | iN=200-355 | iN=224-400 | iN=250-450 | G1 | |||||||
| d11) | l1 | d11) | l1 | d11) | l1 | d11) | l1 | d11) | l1 | d11) | l1 | ||
| 13 | 50 | 100 | 38 | 80 | 305 | ||||||||
| 14 | 50 | 100 | 38 | 80 | 305 | ||||||||
| 15 | 60 | 135 | 50 | 110 | 345 | ||||||||
| 16 | 60 | 135 | 50 | 110 | 345 | ||||||||
| 17 | 60 | 105 | 50 | 80 | 380 | ||||||||
| 18 | 60 | 105 | 50 | 80 | 380 | ||||||||
| 19 | 75 | 105 | 60 | 105 | 440 | ||||||||
| 20 | 75 | 105 | 60 | 105 | 440 | ||||||||
| 21 | 90 | 165 | 70 | 140 | 460 | ||||||||
| 22 | 90 | 165 | 70 | 140 | 460 | ||||||||
| Model | Size mm | ||||||||||
| Gear reducer | |||||||||||
| a | b | c | c1 | D5 | e2 | E | E1 | f1 | g | h | |
| 13 | 1395 | 550 | 60 | 61 | 48 | 405 | 820 | 130 | 47 | 211.5 | 440 |
| 14 | 1535 | 550 | 60 | 61 | 48 | 475 | 890 | 130 | 47 | 211.5 | 440 |
| 15 | 1680 | 625 | 70 | 72 | 55 | 485 | 987 | 160 | 56 | 238 | 500 |
| 16 | 1770 | 625 | 70 | 72 | 55 | 530 | 1033 | 160 | 56 | 238 | 500 |
| 17 | 1770 | 690 | 80 | 81 | 55 | 525 | 1035 | 160 | 53 | 259 | 550 |
| 18 | 1890 | 690 | 80 | 81 | 55 | 585 | 1095 | 160 | 53 | 259 | 550 |
| 19 | 2030 | 790 | 90 | 91 | 65 | 590 | 1190 | 185 | 53 | 299 | 620 |
| 20 | 2150 | 790 | 90 | 91 | 65 | 650 | 1250 | 185 | 53 | 299 | 620 |
| 21 | 2340 | 830 | 100 | 100 | 75 | 655 | 1387 | 225 | 62 | 310 | 700 |
| 22 | 2450 | 830 | 100 | 100 | 75 | 710 | 1442 | 225 | 62 | 310 | 700 |
| Model | Size mm | |||||||||||
| Gear reducer | ||||||||||||
| h1 | h2 | h4 | H | m1 | m2 | m3 | n1 | n2 | n3 | n4 | S | |
| 13 | 450 | 495 | 310 | 935 | 597.5 | 597.5 | 475 | 100 | 305 | 940 | 340 | 35 |
| 14 | 450 | 495 | 310 | 935 | 597.5 | 737.5 | 475 | 100 | 375 | 1010 | 340 | 35 |
| 15 | 490 | 535 | 340 | 1035 | 720 | 720 | 535 | 120 | 365 | 1135 | 375 | 42 |
| 16 | 490 | 535 | 340 | 1035 | 720 | 810 | 535 | 120 | 410 | 1180 | 375 | 42 |
| 17 | 555 | 595 | 390 | 1145 | 750 | 750 | 600 | 135 | 390 | 1175 | 425 | 42 |
| 18 | 555 | 595 | 390 | 1145 | 750 | 870 | 600 | 135 | 450 | 1235 | 425 | 42 |
| 19 | 615 | 655 | 435 | 1275 | 860 | 860 | 690 | 155 | 435 | 1365 | 475 | 48 |
| 20 | 615 | 655 | 435 | 1275 | 860 | 980 | 690 | 155 | 495 | 1425 | 475 | 48 |
| 21 | 685 | 725 | 475 | 1425 | 1000 | 1000 | 720 | 170 | 485 | 1615 | 520 | 56 |
| 22 | 685 | 725 | 475 | 1425 | 1000 | 1110 | 720 | 170 | 540 | 1670 | 520 | 56 |
| Model | Size mm | Lubricating oil | Weight | ||||||||||
| Output shaft | |||||||||||||
| TH4SH | TH4HH TH4HM | TH4DH TH4DM | TH4.H | TH4.M | TH4.H | TH4.M | |||||||
| d21) | G2 | l2 | D22) | G4 | D3 | D4 | G4 | G5 | (l) | (l) | (Kg) | (Kg) | |
| 13 | 200 | 335 | 350 | 190 | 335 | 190 | 195 | 335 | 480 | 130 | 120 | 2390 | 2270 |
| 14 | 210 | 335 | 350 | 210 | 335 | 210 | 215 | 335 | 480 | 140 | 125 | 2730 | 2600 |
| 15 | 230 | 380 | 410 | 230 | 380 | 230 | 235 | 380 | 550 | 230 | 170 | 3635 | 3440 |
| 16 | 240 | 380 | 410 | 240 | 380 | 240 | 245 | 380 | 550 | 235 | 175 | 3965 | 3740 |
| 17 | 250 | 415 | 410 | 250 | 415 | 250 | 260 | 415 | 600 | 290 | 225 | 4680 | 4445 |
| 18 | 270 | 415 | 470 | 275 | 415 | 280 | 285 | 415 | 600 | 305 | 230 | 5185 | 4915 |
| 19 | 290 | 465 | 470 | – | – | 285 | 295 | 465 | 670 | 360 | 310 | 5700 | 5300 |
| 20 | 300 | 465 | 500 | – | – | 310 | 315 | 465 | 670 | 380 | 330 | 6400 | 5950 |
| 21 | 320 | 490 | 500 | – | – | 330 | 335 | 490 | 715 | 395 | 430 | 7750 | 7250 |
| 22 | 340 | 490 | 550 | – | – | 340 | 345 | 490 | 725 | 420 | 450 | 8350 | 7750 |



